产品简介
CC692X系列是芯进推出的高性能霍尔效应电流传感器,可以有效地测量直流或交流电流,并具有高精度,出色的线性度和温度稳定性,广泛应用于工业,消费类及通信类设备。可替换Allegro ACS724,所有生产工序均在国内完成。
工作原理
CC692X系列内部集成了一颗高精度、低噪声的线性霍尔电路和一根低阻抗的主电流导线。输入电流流经内部导线,其产生的磁场在霍尔电路上感应出相应的电信号,经过内部处理电路输出电压信号。
CC692X系列采用先进的BiCMOS制程生产,内部集成的差分共模抑制电路可以让芯片输出不受外部干扰磁信号影响;集成的动态失调消除电路使 IC 的灵敏度不受外界压力和 IC 封装应力的影响。
特性
◆工作温度-40℃~125℃
◆常温误差 1%,全温误差 3%
◆静态共模输出点为50%VCC
◆非线性误差小于0.1%
◆抗干扰能力强
◆抗机械应力,磁参数不因外界压力偏移
◆ESD (HBM) 6000V
◆系统带宽250kHz,阶跃响应时间 1.2us
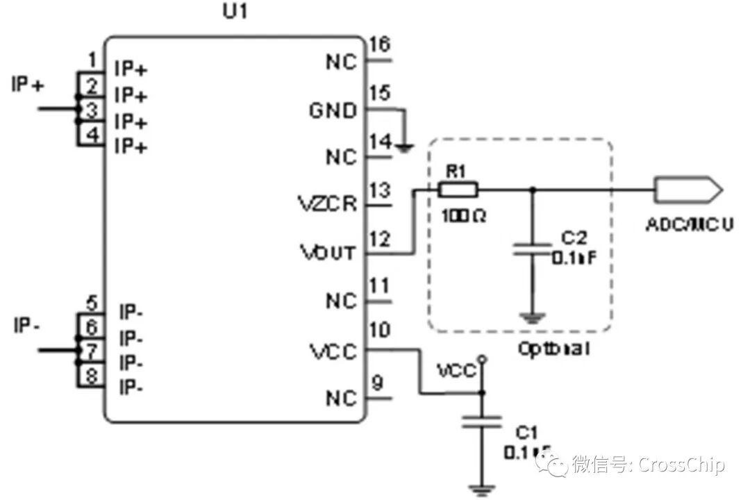
管脚定义
封装体温度与输入电流关系
封装体温度与输入电流关系
封装体热成像图(30A)
封装体热成像图(40A)
封装体热成像图(50A)
封装体热成像图(65A)
典型应用
典型应用图
曲线&波形(20A)
Vout vs IP(正向电流上升沿阶跃响应)
Vout vs IP(负向电流上升沿阶跃响应)
Vout vs IP(负向电流下降沿阶跃响应)
【本篇内容转载自芯进官方公众号】
相关新闻
「群芯微」荣获国家级专精特新“小巨人”企业称号
2022-10-21
近日,中国工业和信息化部公示了第四批专精特新“小巨人”企业名单,经公示确认,宁波群芯微电子股份有限公司荣获国家级专精特新“小巨人”企业称号!根据工信部定义,专精特新“小巨人”企业是“专精特新”中小企业中的佼佼者,是坚持专业化发展战略,具有持续创新能力和研发投入,重视并实施长期发展战略,生产技术、工艺及产品质量性能国内领先的企业。由于处在产业基础核心领域和产业链关键环节,专精特新“小巨人”企业的主导
「航顺」工业级32K FLASH高品质高性价比传感/物联网/智能控制等专用HK32F030MA量产!
2022-10-21
HK32F030MxxxxA/HK32F0301MxxxxA家族是由航顺芯片研发的经济型MCU芯片,包含SOP8、TSSOP16、TSSOP20、TSSOP24、TSSOP28、QFN20、QFN24、QFN28封装。产品概述HK32F030MxxxxA和HK32F0301MxxxxA MCUARM® Cortex®-M0内核,最高工作频率分别为32和48MHz内置32 KByte Flash、432 Byte EEPROM和4 KByte SRAM通过配置Flash控制器的寄存器,可实现中断
「润石」固定增益仪表放大器RS633荣获“年度最佳”!
2022-10-21
8月16-17日,由国际电子商情举办的2022国际集成电路展览会暨研讨会 (IIC)在南京举行;在同期举办的“2022中国IC设计成就奖”评选中,江苏润石科技固定增益仪表放大器RS633荣获“年度最佳”!一举斩获“2022中国IC设计成就奖之年度最佳放大器/数据转换器”奖项。“中国IC设计成就奖” 旨在表彰业内优秀的中国IC 设计公司、上游服务供应商和热门IC产品;已逐渐成为国内电子业界最重要的技术奖项之一, 今年是行业评选
「芯能」荣获国家专精特新“小巨人”企业认证
2022-10-21
近日,国家工业和信息化部公布了第四批国家专精特新“小巨人”企业公示名单,深圳芯能半导体技术有限公司顺利通过工信部的认定审核和公示,荣获国家专精特新“小巨人”企业认证。芯能半导体是一家专注于功率半导体研发、生产、销售的高新技术企业。公司总部位于深圳,在浙江义乌建有车规级功率模块制造基地,在深圳、上海、苏州设有研发中心。公司现有员工100多人,研发和技术支持相关人员占比超过50%,经过多年的沉淀和发展,在高