HK32F030MxxxxA/HK32F0301MxxxxA家族是由航顺芯片研发的经济型MCU芯片,包含SOP8、TSSOP16、TSSOP20、TSSOP24、TSSOP28、QFN20、QFN24、QFN28封装。
产品概述
HK32F030MxxxxA和HK32F0301MxxxxA MCU
ARM® Cortex®-M0内核,最高工作频率分别为32和48MHz
内置32 KByte Flash、432 Byte EEPROM和4 KByte SRAM
通过配置Flash控制器的寄存器,可实现中断向量在32 KByte空间内的重映射。
MCU除电源、地以外的所有引脚都可以作为GPIO、外设IO或外部中断输入;在引脚数量受限应用场景中,该MCU提供了尽可能多的引脚信号数量。
HK32F030MxxxxA/HK32F0301MxxxxA MCU 内置了多种通信接口:
1路高速(最高6 Mbit/s)USART
USART 支持同步及异步全双工或半双工通信、多主机通信、LIN协议、SmartCard协议、IrDA SIR 编解码;RX/TX引脚位置可通过软件互换;在MCU停机模式(Stop)下,支持数据接收唤醒。
3 路高速(最高6 Mbit/s)UART
1 路高速(最高18 Mbit/s)SPI/I2S
SPI/I2S 支持4 ~ 16位数据长度的全双工或半双工通信、主/从机模式、TI模式、NSS脉冲模式、自动CRC校验和I2S协议。
1 路高速(最高1 MHz)I2C
I2C支持1 MHz/400 kHz/100 kHz传输速率、主/从机模式、多主机模式、7/10比特寻址、SMBus协议。在MCU停机模式(Stop)下,支持数据接收唤醒。
HK32F030MxxxxA/HK32F0301MxxxxA MCU内置了1个16位高级PWM定时器(共4路PWM输出,其中3路带死区互补输出),1 个16位通用PWM定时器(共4路PWM输出)和1个16位基本定时器(定时输出CPU中断)。
HK32F030MxxxxA/HK32F0301MxxxxA MCU 内置了模拟电路:1个12 位1MSPS ADC(有效精度8位)、1个上/下电复位电路(POR/PDR)和1个内部参考电压(内部参考电压在片内被ADC采样)。
HK32F030MxxxxA/HK32F0301MxxxxA MCU支持丰富的功耗模式。在低功耗模式下,这两个系列的MCU均可被内部的低功耗定时器自动唤醒。
HK32F030MxxxxA/HK32F0301MxxxxA MCU工作于-40°C ~ +105°C 的温度范围,供电电压1.8 V ~ 3.6 V,可满足绝大部分应用环境条件的要求。
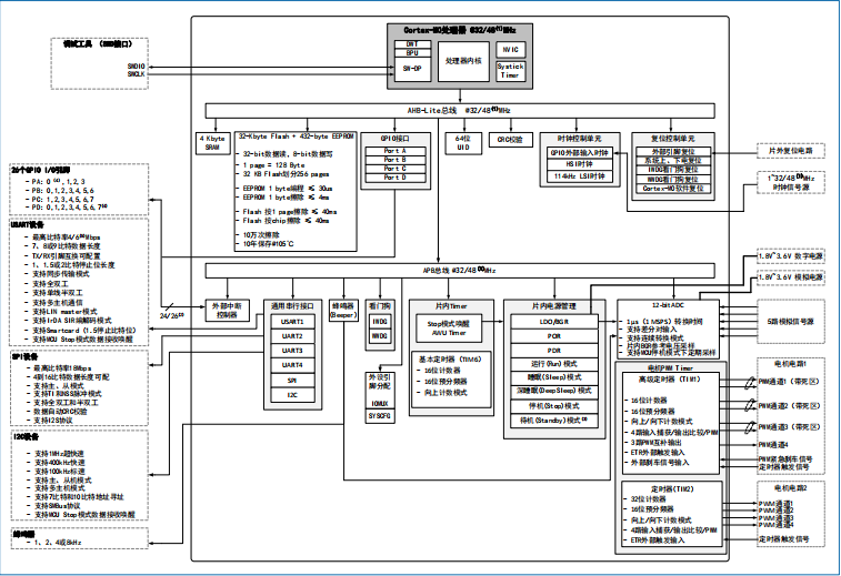
结构框图
ARM® Cortex™-M0处理器是嵌入式32位RISC处理器,它是一个低成本、低功耗的MCU平台,提供优秀的计算性能和先进的中断系统响应。
HK32F030MxxxxA/HK32F0301MxxxxA MCU拥有内置的Cortex®-M0 内核,与ARM工具和软件兼容。
HK32F030MxxxxA/HK32F0301MxxxxA MCU系统架构如下图所示:
图中脚注的说明:
(1)HK32F030MxxxxA和HK32F0301MxxxxA的最高时钟频率分别为32MHz和48MHz。
(2)HK32F030MxxxxA和HK32F0301MxxxxA的外部中断线分别为最多24根和最多26根。
(3)仅HK32F0301MxxxxA支持待机(Standby)模式。
(4)HK32F030MxxxxA仅部分封装提供PA0和PD7引脚,HK32F0301MxxxxA 所有封装均提供PA0和PD7引脚。详细信息请参见数据手册。
产品应用
由于拥有丰富的外设配置,HK32F030MxxxxA/HK32F0301MxxxxA MCU可适用于多种应用场景:
可编程控制器/打印机/扫描仪/电机驱动和调速控制/电机以及8/16位MCU升级替换/物联网低功耗传感器终端/无人机飞控/云台控制/玩具产品/家用电器/智能机器人/智能手表/运动手环/充电器/电池管理/散热风扇/烟感等
030MA特别市场需求
手机维修屏:需要QFN 3X3的封装,但不带DMA功能,部分客户可以不需要DMA
仪表盘客户:需要32K FLASH
物联网模块模组应用:支持4个串口(USART1个,UART3个)
需要对ADC精度有要求的客户:提升为正常情况
电机应用市场:支持IO tolerant,合封预驱
电子烟:需要QFN3X3封装,有需求3个以上唤醒源
血压计应用:有需求3个以上唤醒源
【本篇内容转载自航顺官方公众号】
相关新闻
「群芯微」荣获国家级专精特新“小巨人”企业称号
2022-10-21
近日,中国工业和信息化部公示了第四批专精特新“小巨人”企业名单,经公示确认,宁波群芯微电子股份有限公司荣获国家级专精特新“小巨人”企业称号!根据工信部定义,专精特新“小巨人”企业是“专精特新”中小企业中的佼佼者,是坚持专业化发展战略,具有持续创新能力和研发投入,重视并实施长期发展战略,生产技术、工艺及产品质量性能国内领先的企业。由于处在产业基础核心领域和产业链关键环节,专精特新“小巨人”企业的主导
「航顺」工业级32K FLASH高品质高性价比传感/物联网/智能控制等专用HK32F030MA量产!
2022-10-21
HK32F030MxxxxA/HK32F0301MxxxxA家族是由航顺芯片研发的经济型MCU芯片,包含SOP8、TSSOP16、TSSOP20、TSSOP24、TSSOP28、QFN20、QFN24、QFN28封装。产品概述HK32F030MxxxxA和HK32F0301MxxxxA MCUARM® Cortex®-M0内核,最高工作频率分别为32和48MHz内置32 KByte Flash、432 Byte EEPROM和4 KByte SRAM通过配置Flash控制器的寄存器,可实现中断
「润石」固定增益仪表放大器RS633荣获“年度最佳”!
2022-10-21
8月16-17日,由国际电子商情举办的2022国际集成电路展览会暨研讨会 (IIC)在南京举行;在同期举办的“2022中国IC设计成就奖”评选中,江苏润石科技固定增益仪表放大器RS633荣获“年度最佳”!一举斩获“2022中国IC设计成就奖之年度最佳放大器/数据转换器”奖项。“中国IC设计成就奖” 旨在表彰业内优秀的中国IC 设计公司、上游服务供应商和热门IC产品;已逐渐成为国内电子业界最重要的技术奖项之一, 今年是行业评选
「芯能」荣获国家专精特新“小巨人”企业认证
2022-10-21
近日,国家工业和信息化部公布了第四批国家专精特新“小巨人”企业公示名单,深圳芯能半导体技术有限公司顺利通过工信部的认定审核和公示,荣获国家专精特新“小巨人”企业认证。芯能半导体是一家专注于功率半导体研发、生产、销售的高新技术企业。公司总部位于深圳,在浙江义乌建有车规级功率模块制造基地,在深圳、上海、苏州设有研发中心。公司现有员工100多人,研发和技术支持相关人员占比超过50%,经过多年的沉淀和发展,在高